Product Summary
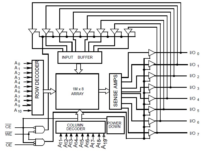
The CY7C1059DV33-10ZSXI is a high-performance CMOS Static RAM organized as 1M words by 8 bits. Easy memory expansion is provided by an active LOW Chip Enable (CE), an active LOW Output Enable (OE), and tri-state drivers. Writing to the CY7C1059DV33-10ZSXI is accomplished by taking Chip Enable (CE) and Write Enable (WE) inputs LOW. Data on the eight I/O pins (I/O0 through I/O7) is then written into the location specified on the address pins (A0 through A19). The CY7C1059DV33-10ZSXI is available in 36-ball FBGA and 44-pin TSOP II package with center power and ground (revolutionary) pinout.
Parametrics
CY7C1059DV33-10ZSXI absolute maximum ratings: (1)Storage Temperature: –65℃ to +150℃; (2)Ambient Temperature with Power Applied: –55℃ to +125℃; (3)Supply Voltage on VCC to Relative GND: –0.5V to +4.6V; (4)DC Voltage Applied to Outputs in High-Z State: –0.3V to VCC + 0.3V; (5)DC Input Voltage: –0.3V to VCC + 0.3V; (6)Current into Outputs (LOW): 20 mA; (7)Static Discharge Voltage: >2001V(per MIL-STD-883, Method 3015); (8)Latch-up Current: >200 mA.
Features
CY7C1059DV33-10ZSXI features: (1)High speed tAA = 10 ns; (2)Low active power ICC = 110 mA; (3)Low CMOS standby power ISB2 = 20 mA; (4)2.0V data retention; (5)Automatic power-down when deselected; (6)TTL-compatible inputs and outputs; (7)Easy memory expansion with CE and OE features; (8)Available in lead-free 36-ball FBGA and 44-pin TSOP II ZS44 packages.
Diagrams

| Image | Part No | Mfg | Description | ![]() |
Pricing (USD) |
Quantity | ||||||||||
|---|---|---|---|---|---|---|---|---|---|---|---|---|---|---|---|---|
![]() |
![]() CY7C1059DV33-10ZSXI |
![]() Cypress Semiconductor |
![]() SRAM 8M FAST ASYNC IND HI SPD SRAM |
![]() Data Sheet |
![]()
|
|
||||||||||
![]() |
![]() CY7C1059DV33-10ZSXIT |
![]() Cypress Semiconductor |
![]() SRAM 8M FAST ASYNC HI SPD SRAM |
![]() Data Sheet |
![]()
|
|
||||||||||
(China (Mainland))









