Product Summary
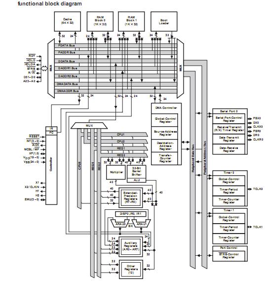
The TMS320C31PQL50 is a 32-bit, floating-point processor manufactured in 0.6μm triple-level-metal CMOS technology. The TMS320C31PQL50 can perform parallel multiply and ALU operations on integer or floating-point data in a single cycle. The TMS320C31PQL50 optimizes speed by implementing functions in hardware that other processors implement through software or microcode. This hardware-intensive approach provides performance previously unavailable on a single chip.
Parametrics
TMS320C31PQL50 absolute maximum ratings: (1)Supply voltage range:–0.3 V to 7 V; (2)Input voltage range: –0.3 V to 7 V; (3)Output voltage range: –0.3 V to 7 V; (4)Operating case temperature range: TC PQL (commercial): 0℃ to 85℃, PQA (industrial): -40℃ to 125℃; (5)Storage temperature range: -55℃ to 150℃.
Features
TMS320C31PQL50 features: (1)32-Bit High-Performance CPU; (2)16- /32-Bit Integer and 32- /40-Bit Floating-Point Operations; (3)32-Bit Instruction Word, 24-Bit Addresses; (4)Two 1K × 32-Bit Single-Cycle Dual-Access On-Chip RAM Blocks; (5)Boot-Program Loader; (6)Fabricated Using 0.6 μm Enhanced Performance Implanted CMOS (EPIC) Technology by Texas Instruments (TI); (7)132-Pin Plastic Quad Flat Package(PQ Suffix); (8)Eight Extended-Precision Registers; (9)Two Address Generators With Eight Auxiliary Registers and Two Auxiliary Register Arithmetic Units (ARAUs); (10)Two Low-Power Modes; (11)Two- and Three-Operand Instructions; (12)Parallel Arithmetic/Logic Unit (ALU) and Multiplier Execution in a Single Cycle; (13)Block-Repeat Capability; (14)Zero-Overhead Loops With Single-Cycle Branches; (15)Conditional Calls and Returns; (16)Interlocked Instructions for Multiprocessing Support; (17)Bus-Control Registers Configure Strobe-Control Wait-State Generation.
Diagrams

| Image | Part No | Mfg | Description | ![]() |
Pricing (USD) |
Quantity | ||||
|---|---|---|---|---|---|---|---|---|---|---|
![]() |
![]() TMS320C31PQL50 |
![]() Texas Instruments |
![]() Digital Signal Processors & Controllers (DSP, DSC) 320C31 132 PIN PQFP 50MHZ |
![]() Data Sheet |
![]() Negotiable |
|
||||
| Image | Part No | Mfg | Description | ![]() |
Pricing (USD) |
Quantity | ||||
![]() |
![]() TMS3112 |
![]() Other |
![]() |
![]() Data Sheet |
![]() Negotiable |
|
||||
![]() |
![]() TMS3121 |
![]() Other |
![]() |
![]() Data Sheet |
![]() Negotiable |
|
||||
![]() |
![]() TMS320 |
![]() Other |
![]() |
![]() Data Sheet |
![]() Negotiable |
|
||||
![]() |
![]() TMS32010 |
![]() Other |
![]() |
![]() Data Sheet |
![]() Negotiable |
|
||||
![]() |
![]() TMS320AV7110 |
![]() Other |
![]() |
![]() Data Sheet |
![]() Negotiable |
|
||||
![]() |
![]() TMS320BC51PQ100 |
![]() Texas Instruments |
![]() Digital Signal Processors & Controllers (DSP, DSC) TMS320C51PQ - 132QFP - 100MHZ/BOOT CODE |
![]() Data Sheet |
![]() Negotiable |
|
||||
(China (Mainland))










