Product Summary
The CY62167ELL-45ZXI is a high performance CMOS static RAM organized as 1 M words by 16-bits/2 M words by 8-bits. This device features advanced circuit design to provide an ultra low active current. The CY62167ELL-45ZXI is ideal for providing More Battery Life(MoBL) in portable applications such as cellular telephones. The CY62167ELL-45ZXI also has an automatic power down feature that reduces power consumption when addresses are not toggling. Place the device into standby mode when deselected (CE1 HIGH, or CE2 LOW, or both BHE and BLE are HIGH).
Parametrics
CY62167ELL-45ZXI absolute maximum ratings: (1)Storage temperature: –65 ℃ to +150 ℃; (2)Ambient temperature with power applied: –55 ℃ to +125 ℃; (3)Supply voltage to ground potential: –0.5 V to 6.0 V; (4)DC voltage applied to outputs in high Z state: –0.5 V to 6.0 V; (5)DC input voltage: –0.5 V to 6.0 V; (6)Output current into outputs (LOW): 20 mA; (7)Static discharge voltage: >2001 V(MIL-STD-883, method 3015); (8)Latch-up current: >200 mA.
Features
CY62167ELL-45ZXI features: (1)Configurable as 1 M × 16 or as 2 M × 8 SRAM; (2)Very high speed: 45 ns; (3)Wide voltage range: 4.5 V to 5.5 V; (4)Ultra low standby power: Typical standby current: 1.5 μA; Maximum standby current: 12 μA; (5)Ultra low active power: Typical active current: 2.2 mA at f = 1 MHz; (6)Easy memory expansion with CE1, CE2, and OE features; (7)Automatic power-down when deselected; (8)CMOS for optimum speed and power; (9)Offered in 48-pin TSOP I package.
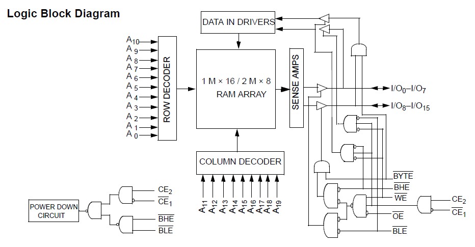
Diagrams

| Image | Part No | Mfg | Description | ![]() |
Pricing (USD) |
Quantity | ||||||||||
|---|---|---|---|---|---|---|---|---|---|---|---|---|---|---|---|---|
![]() |
![]() CY62167ELL-45ZXI |
![]() Cypress Semiconductor |
![]() SRAM SLo 5.0V ULTRA LoPwr 32Kx8 PbFree SRAM |
![]() Data Sheet |
![]()
|
|
||||||||||
![]() |
![]() CY62167ELL-45ZXIT |
![]() Cypress Semiconductor |
![]() SRAM SLo 5V SUPER LoPwr 1MEGX16 PbFree SRAM |
![]() Data Sheet |
![]()
|
|
||||||||||
(China (Mainland))









